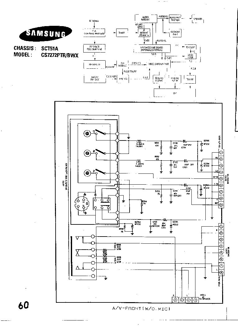
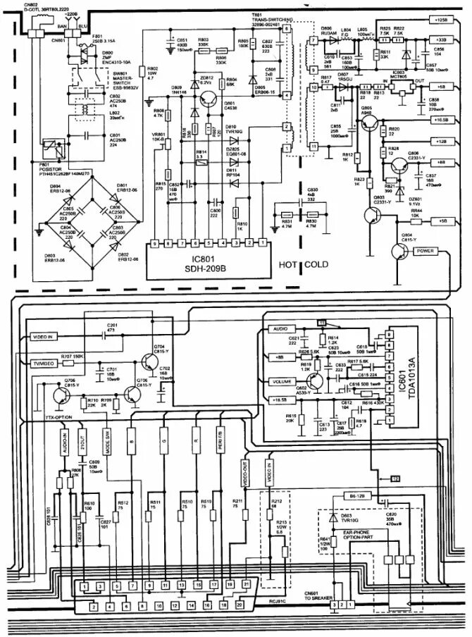
Samsung cs схема

Схема телевизора самсунг cs 21m20zqq. Samsung cs схема. Блок питания тв самсунг cs-15n11mjq. Телевизор cs-21m20zqq схема. Телевизор самсунг 14 дюймов схема.
Схема телевизора самсунг cs 21m20zqq. Samsung cs схема. Блок питания тв самсунг cs-15n11mjq. Телевизор cs-21m20zqq схема. Телевизор самсунг 14 дюймов схема.
Samsung шасси ks1a. Samsung cs схема. Samsung шасси ks1a. Samsung chassis ks7c схема. Шасси телевизора самсунг ks7c.
Samsung шасси ks1a. Samsung cs схема. Samsung шасси ks1a. Samsung chassis ks7c схема. Шасси телевизора самсунг ks7c.
Шасси s16c схема блока питания. Схема телевизора самсунг шасси ks1a. Samsung cs схема. Samsung шасси ks7c схема. Электросхема телевизора самсунг cs29m6fq2x.
Шасси s16c схема блока питания. Схема телевизора самсунг шасси ks1a. Samsung cs схема. Samsung шасси ks7c схема. Электросхема телевизора самсунг cs29m6fq2x.
Телевизор самсунг ks1a. Телевизор самсунг модель cs 29z40zqq схема. Телевизор самсунг c29k3zqq схема. Samsung шасси sct11d. Samsung cs-21k5sq service manual.
Телевизор самсунг ks1a. Телевизор самсунг модель cs 29z40zqq схема. Телевизор самсунг c29k3zqq схема. Samsung шасси sct11d. Samsung cs-21k5sq service manual.
Самсунг шасси ks3a схема строчной развертки. Схема телевизора samsung ck5339. Телевизор самсунг модель cs 29z40zqq схема. Телевизор samsung cs29 (шасси. Схема телевизора самсунг cs 21m20zqq.
Самсунг шасси ks3a схема строчной развертки. Схема телевизора samsung ck5339. Телевизор самсунг модель cs 29z40zqq схема. Телевизор samsung cs29 (шасси. Схема телевизора самсунг cs 21m20zqq.
Samsung ws-32z30 схема. Блок питания тв самсунг cs-15n11mjq. Схема тв самсунг шасси ks1a. Ck-5073zr схема. Samsung cs 21k2q схема.
Samsung ws-32z30 схема. Блок питания тв самсунг cs-15n11mjq. Схема тв самсунг шасси ks1a. Ck-5073zr схема. Samsung cs 21k2q схема.
Схема тв samsung cs 21m21zqq. Cs-29k5wtq шасси ks3a. Samsung cs 29z40zqq шасси ks7c. Телевизор samsung cs-21m20zqq. Телевизор samsung cs 21z43zgq схема.
Схема тв samsung cs 21m21zqq. Cs-29k5wtq шасси ks3a. Samsung cs 29z40zqq шасси ks7c. Телевизор samsung cs-21m20zqq. Телевизор samsung cs 21z43zgq схема.
Телевизор samsung cs-21m21zqq схема. Samsung шасси s16c схема. Шасси ks7a телевизора samsung. Samsung cs схема. Телевизор samsung cs-21m21zqq схема.
Телевизор samsung cs-21m21zqq схема. Samsung шасси s16c схема. Шасси ks7a телевизора samsung. Samsung cs схема. Телевизор samsung cs-21m21zqq схема.
Samsung cs схема. Телевизор самсунг шасси ks1a. Samsung cs схема. Шасси s16c схема. Телевизор samsung cs-21m21zqq схема.
Samsung cs схема. Телевизор самсунг шасси ks1a. Samsung cs схема. Шасси s16c схема. Телевизор samsung cs-21m21zqq схема.
Samsung ws-32z30hpq. Samsung cs схема. Схема телевизора самсунг cs 21m20zqq. Samsung cs 17n11mjq схема. Телевизор самсунг схема электрическая.
Samsung ws-32z30hpq. Samsung cs схема. Схема телевизора самсунг cs 21m20zqq. Samsung cs 17n11mjq схема. Телевизор самсунг схема электрическая.
Samsung cs схема. Samsung cs схема. Схема телевизора samsung cs 29z30zqq. Самсунг cs-15k2mjq телевизор. Схема телевизора samsung cs-29z40hsq.
Samsung cs схема. Samsung cs схема. Схема телевизора samsung cs 29z30zqq. Самсунг cs-15k2mjq телевизор. Схема телевизора samsung cs-29z40hsq.
Samsung cs схема. Схема телевизора samsung cs-21k2q схема. Шасси ks1a схема. Шасси телевизора samsung s15a. Схема телевизор самсунг шасси ks9b.
Samsung cs схема. Схема телевизора samsung cs-21k2q схема. Шасси ks1a схема. Шасси телевизора samsung s15a. Схема телевизор самсунг шасси ks9b.
Блок питания телевизора samsung cs-21z34snwt. Телевизор samsung cs-21m20zqq. Самсунг шасси ks9a схема. Шасси телевизора samsung s15a. Схема телевизора samsung cs 29z30zqq.
Блок питания телевизора samsung cs-21z34snwt. Телевизор samsung cs-21m20zqq. Самсунг шасси ks9a схема. Шасси телевизора samsung s15a. Схема телевизора samsung cs 29z30zqq.
Samsung cs схема. Телевизор samsung cs-14f3r схема. Тв самсунг схема принципиальная электрическая. Шасси телевизора samsung s15a. Samsung cs-15k2mjq шасси ks9a схема.
Samsung cs схема. Телевизор samsung cs-14f3r схема. Тв самсунг схема принципиальная электрическая. Шасси телевизора samsung s15a. Samsung cs-15k2mjq шасси ks9a схема.
Samsung cs схема. Samsung cs схема. Samsung cs-14f2r шасси ks1a aa41-00131h. Samsung cs схема. Samsung шасси ks1a.
Samsung cs схема. Samsung cs схема. Samsung cs-14f2r шасси ks1a aa41-00131h. Samsung cs схема. Samsung шасси ks1a.
Электросхема телевизора самсунг cs-21d9r. Схема телевизора самсунг cs 29z40zqq. Samsung cs схема. Samsung chassis s-17a sch. Samsung cs схема.
Электросхема телевизора самсунг cs-21d9r. Схема телевизора самсунг cs 29z40zqq. Samsung cs схема. Samsung chassis s-17a sch. Samsung cs схема.
Телевизор самсунг cs 21z30zaq. Samsung cs схема. Самсунг cs-15k2mjq телевизор. Samsung шасси s16a. Samsung cs схема.
Телевизор самсунг cs 21z30zaq. Samsung cs схема. Самсунг cs-15k2mjq телевизор. Samsung шасси s16a. Samsung cs схема.
Cs-21z50zqq схема. Шасси телевизора samsung шасси p1b. Телевизор samsung шасси ks1. Samsung cs схема. Samsung cs схема.
Cs-21z50zqq схема. Шасси телевизора samsung шасси p1b. Телевизор samsung шасси ks1. Samsung cs схема. Samsung cs схема.
Шасси s16b схема. Блок питания тв самсунг cs-15n11mjq. Шасси телевизора самсунг ks7c. Телевизор samsung cs-21m21zqq схема. Шасси телевизора самсунг ks21c.
Шасси s16b схема. Блок питания тв самсунг cs-15n11mjq. Шасси телевизора самсунг ks7c. Телевизор samsung cs-21m21zqq схема. Шасси телевизора самсунг ks21c.
Телевизор samsung cs-21m20zqq. Телевизор samsung cs-21m20zqq. Электросхема телевизора самсунг cs-21d9r. Шасси телевизора samsung шасси p1b. Шасси s16b схема.
Телевизор samsung cs-21m20zqq. Телевизор samsung cs-21m20zqq. Электросхема телевизора самсунг cs-21d9r. Шасси телевизора samsung шасси p1b. Шасси s16b схема.